MFD-1064-35S Fiber Pigtailed Laser Diode
Item No.: MFD-1064-35S

Wavelength: 1064±10 nM
Output power: 35 mW
SM Fiber core diameter: 9.0/125 um
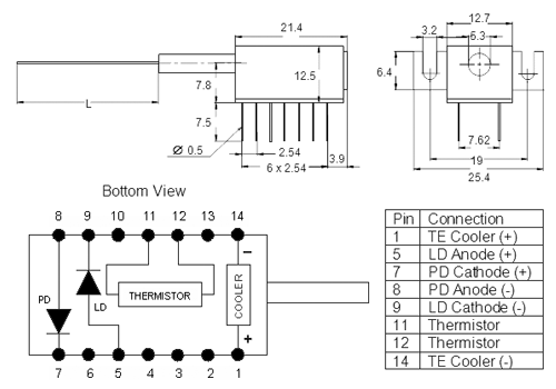
Package: Hermetic, DIL 14-pin package
Threshold current (Ith): < 40 mA
Operating current (Iop): < 200 mA
Laser forward voltage: < 2.5 V
Laser reverse voltage: < 2 V
Monitor dark current (Id): < 0.6 mA
Operating case temperature: 0 to 60 °C
Storage case temperature: -40 to 70 °C
TEC current: < 0.5 A
|
|
Disclaimer: The specifications are subject to change without notice.
MeshTel - INTELITE, INC. info@meshtel.com
Tel:(775) 267-5959, Fax:(775) 267-5958